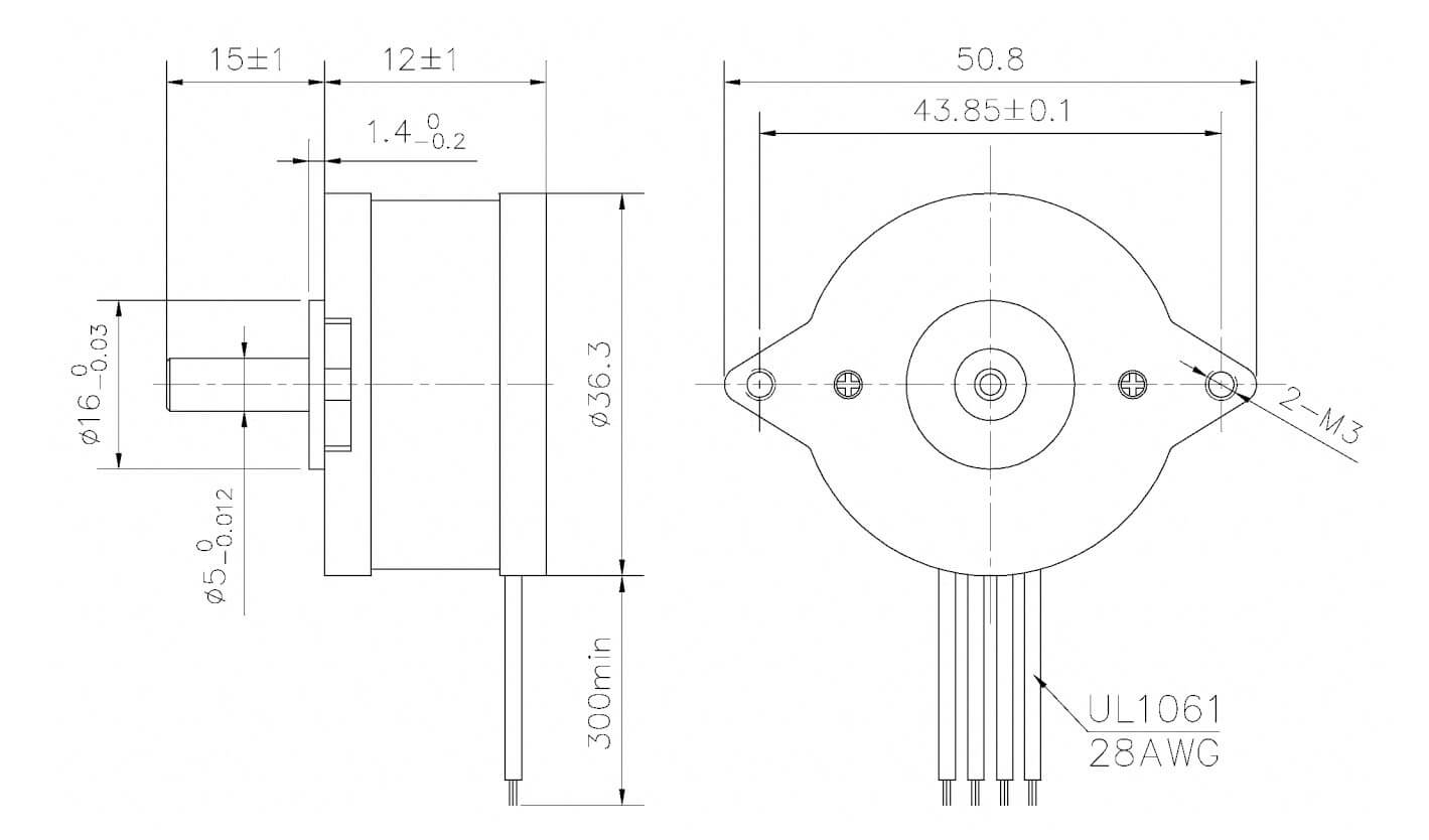
BF36HM12-0304
倍士福电机
标准混合式步进电机
2相
36mm
12mm
4线
0.9°
圆轴
BF0220, BFDM420
接插件, 齿轮箱, 编码器, 刹车, 减速箱
10台
| 型号: | |
|---|---|
| 状态: | |
| 项目 | 性能 |
| 步距角 | 0.9° |
| 温升 | 80℃max |
| 环境温度 | -20℃~+50℃ |
| 绝缘电阻 | 100 MΩ Min. ,500VDC |
| 电气强度 | 500VAC for 1minute |
| 径向间隙 | 0.02Max. (450g-load) |
| 轴向间隙 | 0.08Max. (450g-load) |
| Max径向压力 | 28N (20mm from the flange) |
| Max轴向压力 | 10N |
相数 | / | 2 |
| 步距角 | ° | 0.9 |
| 机身长度 | mm | 12 |
| 电流 | A | 0.3 |
| 电阻 | Ω | 16.8 |
| 电感 | mH | 8.5 |
| 静转矩 | g.cm | 420 |
| 定位转矩 | g.cm | 80 |
| 转动惯量 | g.cm2 | 4 |
| 引线数 | No. | 4 |
| 重量 | kg | 0.06 |
| 适配驱动 | / | BF0220 / BFDM420 |
| 可选配件 | / | 接插件、齿轮箱、编码器、刹车、一体机 |


