BFIDC60-C248A1 行星减速箱
倍士福电机
CANopen
3相
NEMA24 (60mm)
单扁丝, 圆轴
60mm
48v
17bit(单圈)
刹车, 减速箱
10台
| 型号: | |
|---|---|
| 状态: | |
| 电机参数 | ||
| 型号 | / | BFIDC60-C248A1 + PRF/PRL60-L 行星减速机 |
| 相数 | / | 3 |
| 极数 | / | 8 |
| 额定电压 | vdc | 48 |
| 额定转速 | rpm | 3000 |
| 额定转矩 | N.m | 1.27 |
| 额定电流 | A | 11.5 |
| 额定功率 | W | 400 |
| 总机身长度 | mm | 116.3(139内置刹车) |
| 相电阻 | ohms | 0.25 |
| 相电感 | mH | 0.49 |
| 转动惯量 | kg,cm2 | 0.3 |
| 控制方式 | / | CANopen(RS485 / 脉冲控制 可选) |
| 驱动器参数 | 最小值 | 额定值 | 最大值 |
| 输入电源电压(V) | 16 | 24 | 60 |
| 逻辑输入电压(V) | 5 | 5 | 24 |
| 逻辑输入电流(mA) | 10 | 10 | 50 |
| 脉冲频率(KHz) | - | - | 200 |
| 环境因素 | 环境指标 |
| 冷却方式 | 自然冷却或强制冷却 |
| 使用场合 | 避免粉尘、油污及腐蚀性气体;尽量远离其他发热设备;禁止存在可燃气体和导电灰尘 |
| 工作温度 | 0℃ ~ +50℃ |
| 环境湿度 | ≤85%RH(无结露) |
| 振动 | 5.9m/s² max |
| 储温度 | -25℃ ~ +70℃ |
| 颜色 | 名称 | 内容 |
| 绿色 | PWR | 电源指示灯 |
| 红色 | ALM | 报警指示灯 |
| 端口 | 引脚 | 名称 | 功能 |
| CN1 | 1 | DI1+ | 数字输入信号1正端 |
| 2 | DI1- | 数字输入信号1负端 | |
| 3 | DI2+ | 数字输入信号2正端 | |
| 4 | DI2- | 数字输入信号2负端 | |
| 5 | DI3+ | 数字输入信号3正端 | |
| 6 | DI3- | 数字输入信号3负端 | |
| 7 | DI4+ | 数字输入信号4正端 | |
| 8 | DI4- | 数字输入信号4负端 | |
| 9 | DO1+ | 数字输出信号1正端 | |
| 10 | DO1- | 数字输出信号1负端 | |
| 11 | DO2+ | 数字输出信号2正端 | |
| 12 | DO2- | 数字输出信号2负端 | |
| 13 | NC | 未定义 | |
| 14 | NC | 未定义 | |
| 15 | CANL | CAN低电平信号线 | |
| 16 | CANH | CAN高电平信号线 | |
| CN2 | 1 | V+ | 电源正端 |
| 2 | V- | 电源负端 | |
| CN3 | 1 | RB+ | 放电电阻接线正端 |
| 2 | RB- | 放电电阻接线负端 |
采用全新32 位M4+内核,120M or 240M 主频
从低速到高速都具有稳定的转矩特性,高速度,高精度
带刹车电阻接口,以免电机电制动损坏
调速范围广,温升低,效率高
具有过流、过压、过温、超差保护功能
电机和驱动一体化,体积小巧,接线简单,驱动和电机匹配良好
配置17位单圈绝对值编码器
脉冲型
RS485-Modbus-RTU 网络型
CANopen 网络型
防水型:IP30 IP54 IP65可选
医疗设备,物流运输,工业自动化,纺织机械,激光,绘图,中医配料行业等
| 型号 | / | PRF/PRL60-L1 | PRF/PRL60-L2 | |||||||||||||||
| 减速比 | 3 | 4 | 5 | 7 | 10 | 12 | 15 | 16 | 20 | 25 | 28 | 30 | 35 | 40 | 50 | 70 | 100 | |
| 额定输出扭矩 | N.m | 27 | 40 | 40 | 34 | 16 | / | / | / | 40 | 40 | / | / | 40 | 40 | 40 | 34 | 16 |
| 最大输出转矩 | N.m | 41 | 60 | 60 | 51 | 24 | / | / | / | 60 | 60 | / | / | 60 | 60 | 60 | 51 | 24 |
| 适配电机机座 | mm | 57 | ||||||||||||||||
| 适配电机轴径 | mm | 8 | ||||||||||||||||
| 适配电机轴长 | mm | 38.1 | ||||||||||||||||
| 前盖孔距 | mm | 47.1 | ||||||||||||||||
| 前盖节圆 | mm | 66.6 | ||||||||||||||||
| 安装孔 | / | M4 | ||||||||||||||||
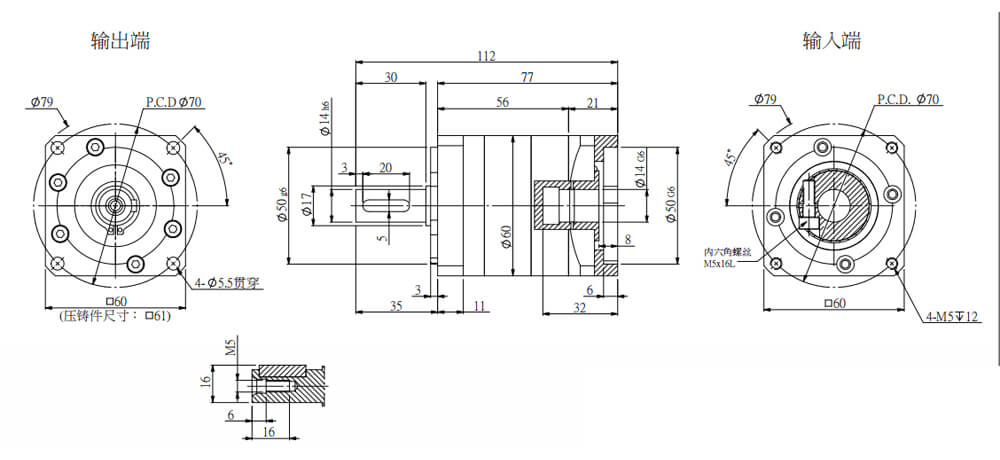
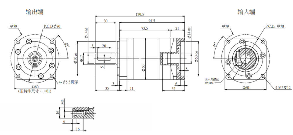
| 减速箱长度 | mm | 112 | 129.5 | |||||||||||||||
| 精度 | arcmin | ≤8 arcmin | ≤12 arcmin | |||||||||||||||
| 效率 | % | ≥96 | ≥94 | |||||||||||||||
| 额定输入转速 | Rpm | 4000 | ||||||||||||||||
| 最大输入转速 | Rpm | 8000 | ||||||||||||||||
| 平均使用寿命 | H | 20000 | ||||||||||||||||
| 噪音值 | dB | ≤58 | ||||||||||||||||
| 使用温度范围 | ℃ | -20 to +80 | ||||||||||||||||
| 润滑油脂 | / | 全合成润滑脂 | ||||||||||||||||


