BFISC86-C2A3 行星减速机
倍士福电机
CANopen
2相
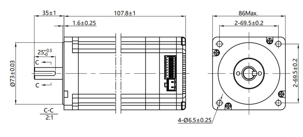
NEMA34 (86mm)
17bit(单圈), 1000线(增量式), 15bit(单圈)
接插件, 齿轮箱, 刹车, 减速箱
10台
| 状态: | |
|---|---|
| 电机规格 | ||
| 型号 | / | BFISC86-C2A3 + PRF/PRL90-L 行星减速机 |
| 步距角 | ° | 1.8 |
| 相电流 | A | 6 |
| 相电阻 | Ω | 0.47 |
| 额定力矩 | N.m | 6.5 |
| 总机身高度 | mm | 127.3 |
| 集成编码器 | / | 1000ppr / 17bit / 15bit |
| 控制方式(可选) | / | 脉冲 / RS485 / CANopen |
| 防护等级 | / | IP30 / IP54 / IP65 可选 |
| 环境因素 | 环境指标 |
| 冷却方式 | 自然冷却或强制冷却 |
| 使用场合 | 避免粉尘、油污及腐蚀性气体;尽量远离其他发热设备;禁止存在可燃气体和导电灰尘 |
| 工作温度 | 0℃ ~ +50℃ |
| 环境湿度 | ≤85%RH(无结露) |
| 振动 | 5.9m/s² max |
| 储温度 | -25℃ ~ +70℃ |
| 颜色 | 名称 | 内容 |
| 绿色 | PWR | 电源指示灯 |
| 红色 | ALM | 报警指示灯 |
| 端口 | 引脚 | 名称 | 内容 |
| CN1 | 1 | DI1+ | 数字输入信号1正端 |
| 2 | DI1- | 数字输入信号1负端 | |
| 3 | DI2+ | 数字输入信号2正端 | |
| 4 | DI2- | 数字输入信号2负端 | |
| 5 | DI3+ | 数字输入信号3正端 | |
| 6 | DI3- | 数字输入信号3负端 | |
| 7 | DI4+ | 数字输入信号4正端 | |
| 8 | DI4- | 数字输入信号4负端 | |
| 9 | D01+ | 数字输出信号1正端 | |
| 10 | D01- | 数字输出信号1负端 | |
| 11 | D02+ | 数字输出信号2正端 | |
| 12 | D02- | 数字输出信号2负端 | |
| 13 | NC | 未定义 | |
| 14 | NC | 未定义 | |
| 15 | CANL | CAN低电平信号线 | |
| 16 | CANH | CAN高电平信号线 | |
| CN2 | 1 | V+ | 电源正端 |
| 2 | V- | 电源负端 | |
| CN3 | 1 | NC | 未定义 |
| 2 | NC | 未定义 | |
| 3 | NC | 未定义 | |
| 4 | COM | 公共端 |
| 引脚 | 名称 | 内容 |
| 1 | SW1 | 从机地址设定 |
| 2 | SW2 | |
| 3 | SW3 | |
| 4 | SW4 | |
| 5 | SW5 | CANopen通讯波特率设定 |
| 端口 | 引脚 | 名称 | 内容 |
| CN4 | 1 | GND | 电源接线负端 |
| 2 | VCC | 电源接线正端 | |
| CN5 | 1 | RXD | 串口通讯接收端 |
| 2 | TXD | 串口通讯发送端 | |
| 3 | COM | 公共端 | |
| 4 | 5V | +5V |
| 地址 | SW1 | SW2 | SW3 | SW4 |
| *Default | OFF | OFF | OFF | OFF |
| 1 | ON | OFF | OFF | OFF |
| 2 | OFF | ON | OFF | OFF |
| 3 | ON | ON | OFF | OFF |
| 4 | OFF | OFF | ON | OFF |
| 5 | ON | OFF | ON | OFF |
| 6 | OFF | ON | ON | OFF |
| 7 | ON | ON | ON | OFF |
| 8 | OFF | OFF | OFF | ON |
| 9 | ON | OFF | OFF | ON |
| 10 | OFF | ON | OFF | ON |
| 11 | ON | ON | OFF | ON |
| 12 | OFF | OFF | ON | ON |
| 13 | ON | OFF | ON | ON |
| 14 | OFF | ON | ON | ON |
| 15 | ON | ON | ON | ON |
用户可以通过 SW5 设定电机旋转方向, 与 DIR 控制信号共同生效。改变 SW5 设定或者 DIR 控制信号,都能使当前电机旋转方向发生变化。
| 方向 | SW5 | DIR |
| CW | OFF | 低电平 |
| CCW | ON | 低电平 |
| CCW | OFF | 高电平或悬空 |
| CW | ON | 高电平或悬空 |
通讯波特率设定
| Baud Rate | SW5 |
| *Default | OFF |
| 115200bps | ON |
注:*Default 出厂设置为57600bps,可自定义配置(寄存器200Ch)
Cortex-M4 内核高性能 32 位微控制器
最高脉冲响应频率可达200KHz
内置保护功能,有效保证设备的安全使用
智能调节电流,减少振动、噪声和发热
采用低内阻MOS,发热较一般产品低于30%
电压范围:DC12V ~ DC36V
驱动电机一体的集成式设计,安装方便,占空间小,接线简洁
具备防反接功能
脉冲型
RS485-Modbus-RTU 网络型
CANopen 网络型
防水型:IP30 IP54 IP65可选
医疗设备,物流运输,工业自动化,纺织机械,激光,绘图,中医配料行业等
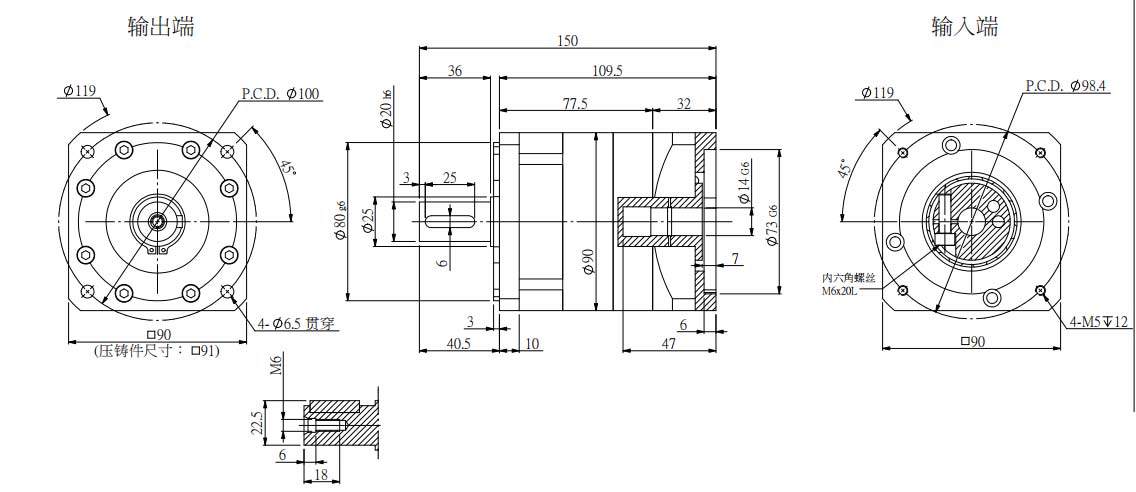
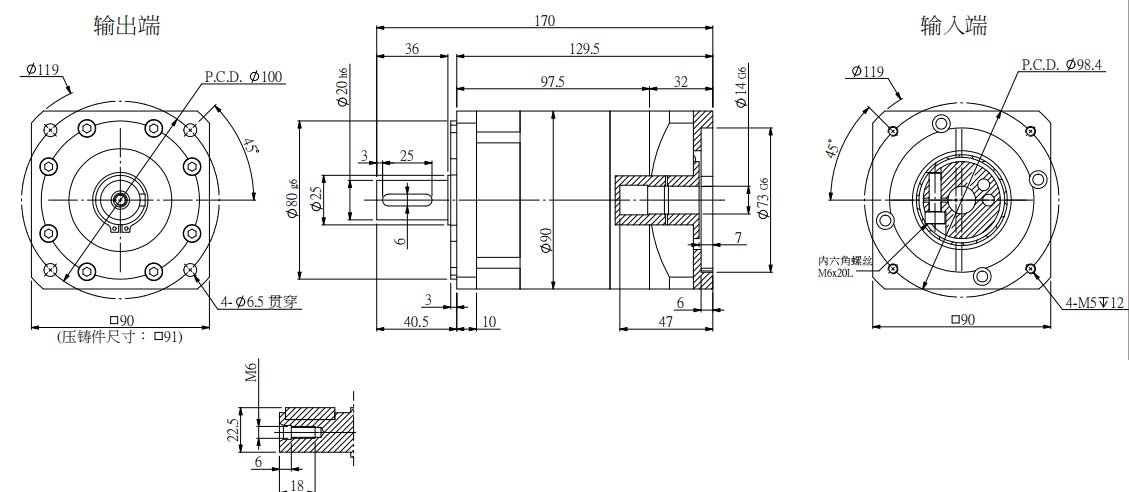
PRF/PRL90-L 行星减速机参数:
| 型号 | / | PRF/PRL90-L1 | PRF/PRL90-L2 | |||||||||||||||
| 减速比 | 3 | 4 | 5 | 7 | 10 | 12 | 15 | 16 | 20 | 25 | 28 | 30 | 35 | 40 | 50 | 70 | 100 | |
| 额定输出扭矩 | N.m | 96 | 122 | 122 | 95 | 56 | / | 96 | / | 122 | 122 | / | 96 | / | 122 | 122 | 95 | 56 |
| 最大输出转矩 | N.m | 144 | 183 | 183 | 143 | 84 | / | 144 | / | 183 | 183 | / | 144 | / | 183 | 183 | 143 | 84 |
| 适配电机机座 | mm | 86 | ||||||||||||||||
| 适配电机轴径 | mm | 14 | ||||||||||||||||
| 适配电机轴长 | mm | 73 | ||||||||||||||||
| 前盖孔距 | mm | 69.5/69.6 | ||||||||||||||||
| 前盖节圆 | mm | 98.4 | ||||||||||||||||
| 安装孔 | / | M5/M6 | ||||||||||||||||
| 减速箱长度 | mm | 150 | 170 | |||||||||||||||
| 精度 | arcmin | ≤8 arcmin | ≤12 arcmin | |||||||||||||||
| 效率 | % | ≥96 | ≥94 | |||||||||||||||
| 额定输入转速 | Rpm | 3500 | ||||||||||||||||
| 最大输入转速 | Rpm | 6000 | ||||||||||||||||
| 平均使用寿命 | H | 20000 | ||||||||||||||||
| 噪音值 | dB | ≤60 | ||||||||||||||||
| 使用温度范围 | ℃ | -20 to +80 | ||||||||||||||||
| 润滑油脂 | / | 全合成润滑脂 | ||||||||||||||||


