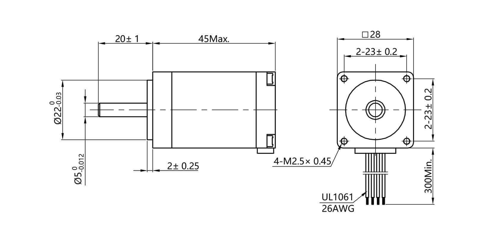
BF28HS45-0674
倍士福电机
标准混合式步进电机
2相
NEMA11 (28mm)
45mm
4线
1.8°
圆轴
BF0220, BFDM420
接插件, 齿轮箱, 编码器, 刹车, 减速箱
10台
| 型号: | |
|---|---|
| 状态: | |
| 项目 | 性能 |
| 步距角 | 1.8° |
| 温升 | 80℃max |
| 环境温度 | -20℃~+50℃ |
| 绝缘电阻 | 100 MΩ Min. ,500VDC |
| 电气强度 | 500VAC for 1minute |
| 径向间隙 | 0.02Max. (450g-load) |
| 轴向间隙 | 0.08Max. (450g-load) |
| Max径向压力 | 28N (20mm from the flange) |
| Max轴向压力 | 10N |
相数 | / | 2 |
| 步距角 | ° | 1.8 |
| 机身长度 | mm | 45 |
| 电流 | A | 0.67 |
| 电阻 | Ω | 6.8 |
| 电感 | mH | 4.9 |
| 静转矩 | g.cm | 950 |
| 引线数 | No. | 4 |
| 转子惯量 | g.cm² | 12 |
| 重量 | kg | 0.14 |
| 适配驱动 | / | BF0220 / BFDM420 |
| 可选配件 | / | 接插件、齿轮箱、编码器、刹车、一体机 |


