BF35HSC42-1004
倍士福电机
标准混合式步进电机
2相
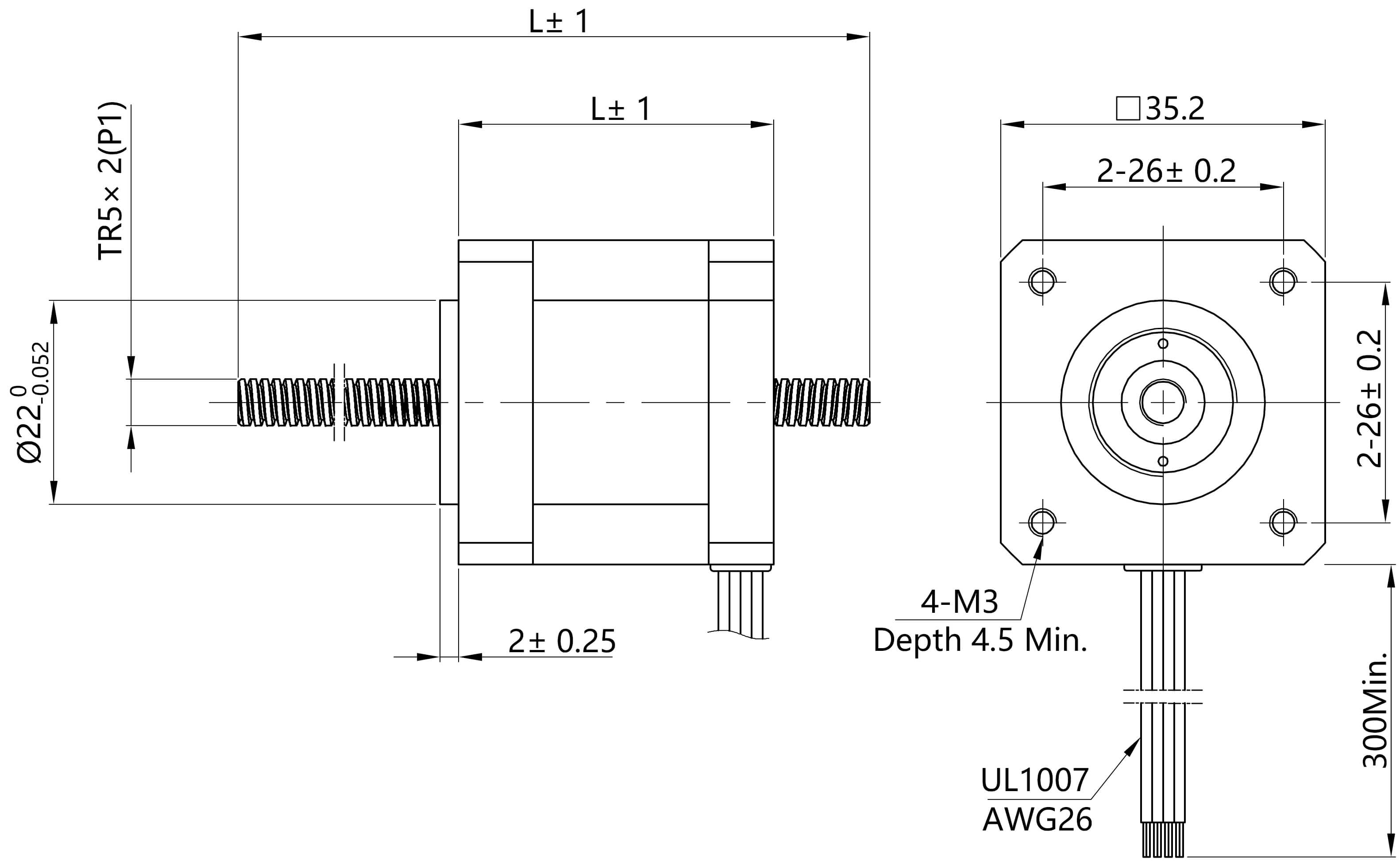
NEMA14 (35mm)
42mm
4线
1.8°
贯通丝杆
BF0220, BFDM420
接插件, 齿轮箱, 编码器, 刹车
10台
| 型号: | |
|---|---|
| 状态: | |
| 项目 | 性能 |
| 步距角 | 1.8° |
| 温升 | 80℃max |
| 环境温度 | -20℃~+50℃ |
| 绝缘电阻 | 100 MΩ Min. ,500VDC |
| 电气强度 | 500VAC for 1minute |
| 径向间隙 | 0.02Max. (450g-load) |
| 轴向间隙 | 0.08Max. (450g-load) |
| 径向压力 | 28N (20mm from the flange) |
| 轴向压力 | 10N |
相数 | / | 2 |
| 步距角 | ° | 1.8 |
| 机身长度 | mm | 42 |
| 电流 | A | 1 |
| 电阻 | Ω | 3.8 |
| 电感 | mH | 3.5 |
| 静转矩 | g.cm | 2000 |
| 引线数 | No. | 4 |
| 转子惯量 | g.cm² | 23 |
| 重量 | kg | 0.22 |
| 适配驱动 | / | BF0220 / BFDM420 |
| 可选配件 | / | 接插件、齿轮箱、编码器、刹车、一体机 |
| 丝杆直径 | 丝杆导程 | 丝杆螺距 | 步长 | 丝杆直径 | 丝杆导程 | 丝杆螺距 | 步长 |
| mm | mm | mm | mm | mm | mm | mm | mm |
| Tr5 | 1 | 1 | 0.005 | Tr8 | 0.5 | 0.5 | 0.0025 |
| 2 | 1 | 0.01 | 2 | 2 | 0.01 | ||
| Tr6 | 2 | 1 | 0.01 | 4 | 2 | 0.02 | |
| 4 | 1 | 0.02 | 8 | 2 | 0.04 | ||
| 6 | 1 | 0.03 | 12 | 2 | 0.06 | ||
| 12 | 2 | 0.06 | 20 | 2.5 | 0.1 |

金属带轮
塑料带轮
齿轮
轴销
螺纹轴
通孔
轴销
螺纹轴
通孔
单扁丝
双扁丝
键槽