BFISC42-C1A3
倍士福电机
CANopen
2相
NEMA17 (42mm)
17bit(单圈), 1000线(增量式), 15bit(单圈)
接插件, 齿轮箱, 刹车, 减速箱
10台
| 状态: | |
|---|---|
| 电机规格 | ||
| 型号 | / | BFISC42-C1A3 步进闭环伺服一体机 |
| 步距角 | ° | 1.8 |
| 相电流 | A | 1.33 |
| 相电阻 | Ω | 1.8 |
| 额定力矩 | N.m | 0.26 |
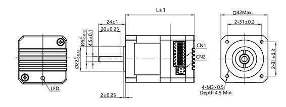
| 总机身高度 | mm | 55.4 |
| 集成编码器 | / | 1000ppr / 17bit / 15bit |
| 控制方式(可选) | / | 脉冲 / RS485 / CANopen |
| 防护等级 | / | IP30 / IP54 / IP65 可选 |
| 环境因素 | 环境指标 |
| 冷却方式 | 自然冷却或强制冷却 |
| 使用场合 | 避免粉尘、油污及腐蚀性气体;尽量远离其他发热设备;禁止存在可燃气体和导电灰尘 |
| 工作温度 | 0℃ ~ +50℃ |
| 环境湿度 | ≤85%RH(无结露) |
| 振动 | 5.9m/s² max |
| 储温度 | -25℃ ~ +70℃ |
| 颜色 | 名称 | 内容 |
| 绿色 | PWR | 电源指示灯 |
| 红色 | ALM | 报警指示灯 |
| 端口 | 引脚 | 名称 | 内容 |
| CN1 | 1 | DI1+ | 数字输入信号1正端 |
| 2 | DI1- | 数字输入信号1负端 | |
| 3 | DI2+ | 数字输入信号2正端 | |
| 4 | DI2- | 数字输入信号2负端 | |
| 5 | DI3+ | 数字输入信号3正端 | |
| 6 | DI3- | 数字输入信号3负端 | |
| 7 | DI4+ | 数字输入信号4正端 | |
| 8 | DI4- | 数字输入信号4负端 | |
| 9 | DO1+ | 数字输出信号1正端 | |
| 10 | DO1- | 数字输出信号1负端 | |
| 11 | DO2+ | 数字输出信号2正端 | |
| 12 | DO2- | 数字输出信号2负端 | |
| 13 | CANL | CAN低电平信号线 | |
| 14 | CANH | CAN高电平信号线 | |
| 15 | CANL | CAN低电平信号线 | |
| 16 | CANH | CAN高电平信号线 | |
| CN2 | 1 | V+ | 电源正端 |
| 2 | V- | 电源负端 | |
| CN3 | 1 | NC | 未定义 |
| 2 | NC | 未定义 | |
| 3 | NC | 未定义 | |
| 4 | COM | 公共端 |
| 引脚 | 名称 | 内容 |
| 1 | SW1 | 从机地址设定 |
| 2 | SW2 | |
| 3 | SW3 | |
| 4 | SW4 | |
| 5 | SW5 | CANopen通讯波特率设定 |
| 端口 | 引脚 | 名称 | 内容 |
| CN4 | 1 | GND | 电源接线负端 |
| 2 | VCC | 电源接线正端 | |
| CN5 | 1 | RXD | 串口通讯接收端 |
| 2 | TXD | 串口通讯发送端 | |
| 3 | COM | 公共端 | |
| 4 | 5V | +5V |
| 地址 | SW1 | SW2 | SW3 | SW4 |
| *Default | OFF | OFF | OFF | OFF |
| 1 | ON | OFF | OFF | OFF |
| 2 | OFF | ON | OFF | OFF |
| 3 | ON | ON | OFF | OFF |
| 4 | OFF | OFF | ON | OFF |
| 5 | ON | OFF | ON | OFF |
| 6 | OFF | ON | ON | OFF |
| 7 | ON | ON | ON | OFF |
| 8 | OFF | OFF | OFF | ON |
| 9 | ON | OFF | OFF | ON |
| 10 | OFF | ON | OFF | ON |
| 11 | ON | ON | OFF | ON |
| 12 | OFF | OFF | ON | ON |
| 13 | ON | OFF | ON | ON |
| 14 | OFF | ON | ON | ON |
| 15 | ON | ON | ON | ON |
用户可以通过 SW5 设定电机旋转方向, 与 DIR 控制信号共同生效。改变 SW5 设定或者 DIR 控制信号,都能使当前电机旋转方向发生变化。
| 方向 | SW5 | DIR |
| CW | OFF | 低电平 |
| CCW | ON | 低电平 |
| CCW | OFF | 高电平或悬空 |
| CW | ON | 高电平或悬空 |
通讯波特率设定
| Baud Rate | SW5 |
| *Default | OFF |
| 115200bps | ON |
注:*Default 出厂设置为57600bps,可自定义配置(寄存器200Ch)
Cortex-M4 内核高性能 32 位微控制器
最高脉冲响应频率可达200KHz
内置保护功能,有效保证设备的安全使用
智能调节电流,减少振动、噪声和发热
采用低内阻MOS,发热较一般产品低于30%
电压范围:DC12V ~ DC36V
驱动电机一体的集成式设计,安装方便,占空间小,接线简洁
具备防反接功能
脉冲型
RS485-Modbus-RTU 网络型
CANopen 网络型
防水型:IP30 IP54 IP65可选
医疗设备,物流运输,工业自动化,纺织机械,激光,绘图,中医配料行业等
